Curiosii for ever!
: Car repair manuals for everyone.
Home
>>
Acura
>>
1992
>>
Integra L4-1678cc 1.7L DOHC (VTEC) FI
>>
Repair and Diagnosis
>>
Diagrams
>>
Electrical Diagrams
>>
Control Module, A/T
>>
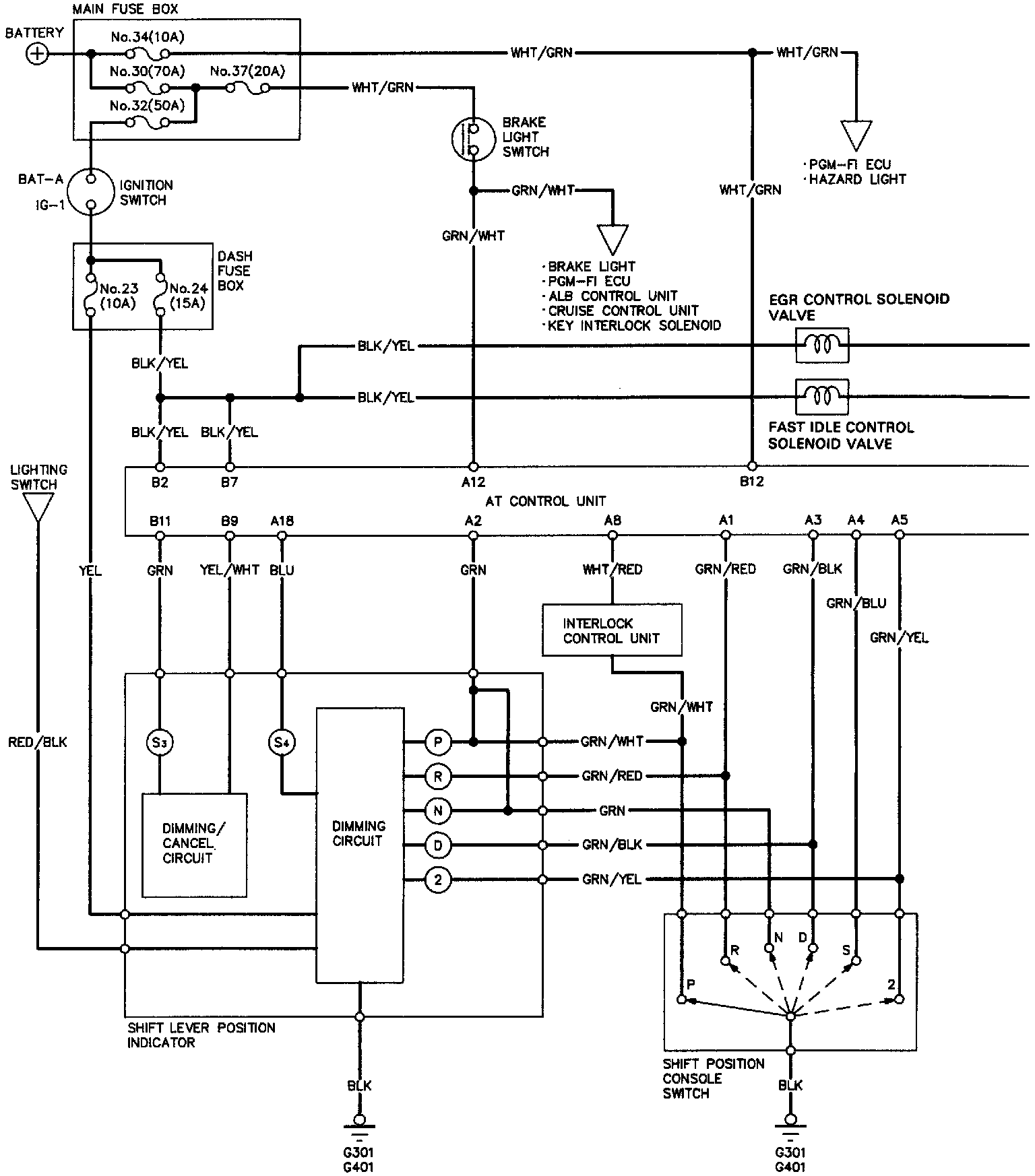
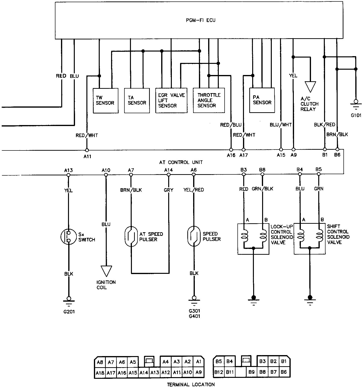
Transmission Controls Circuit Diagram
Transmission Controls Circuit Diagram