Curiosii for ever!
: Car repair manuals for everyone.
Home
>>
Acura
>>
1991
>>
NSX V6-3.0L DOHC
>>
Repair and Diagnosis
>>
Diagrams
>>
Connector Views
>>
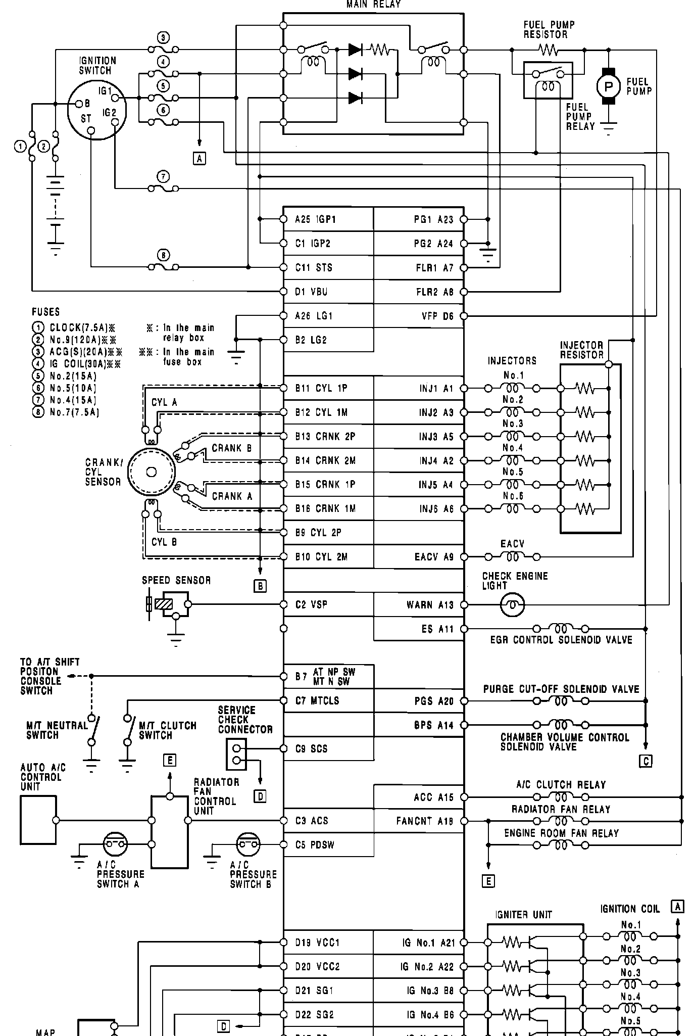
Engine Control Module
Engine Control Module
0�Electrical Connections: