Curiosii for ever!
: Car repair manuals for everyone.
Home
>>
Acura
>>
1989
>>
Legend Sedan V6-2675cc 2.7L SOHC FI
>>
Repair and Diagnosis
>>
Heating and Air Conditioning
>>
Control Assembly
>>
Locations
>>
Electronic Climate Control Panel
>>
Automatic Climate Control
>>
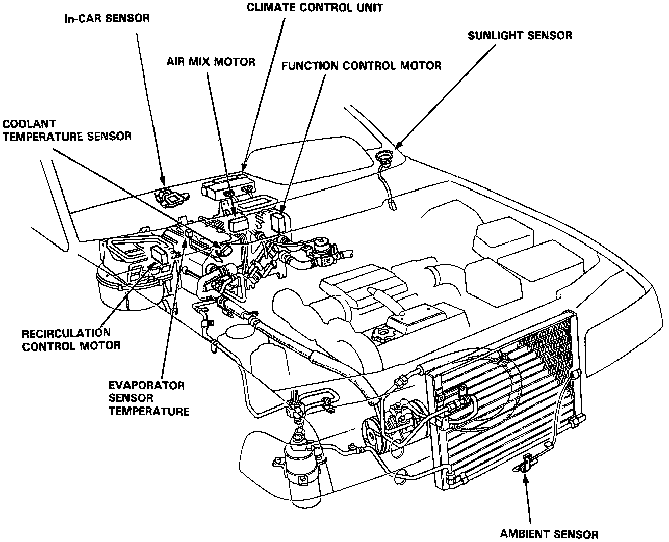
System View
System View
System View: