Curiosii for ever!
: Car repair manuals for everyone.
Home
>>
Acura
>>
1988
>>
Integra L4-1590cc 1.6L DOHC FI
>>
Repair and Diagnosis
>>
Powertrain Management
>>
Computers and Control Systems
>>
Central Electronics Box
>>
Locations
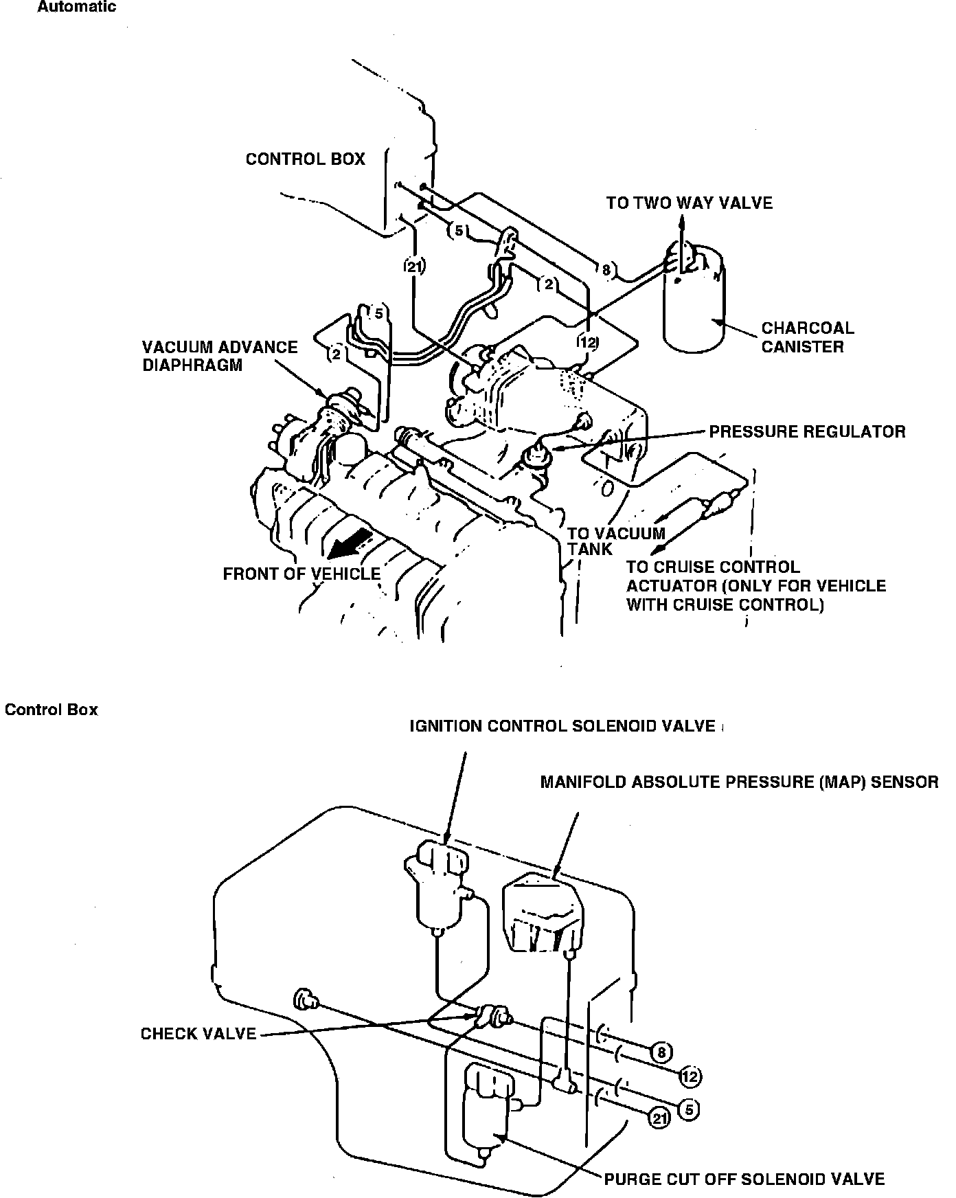
Central Electronics Box: Locations
Emission System Components.:
Behind RH Side Of Engine
Applicable to: 1987 Integra w/Auto. Trans.