Curiosii for ever!
: Car repair manuals for everyone.
Home
>>
Acura
>>
1988
>>
Integra L4-1590cc 1.6L DOHC FI
>>
Repair and Diagnosis
>>
Heating and Air Conditioning
>>
Testing and Inspection
>>
Component Tests and General Diagnostics
>>
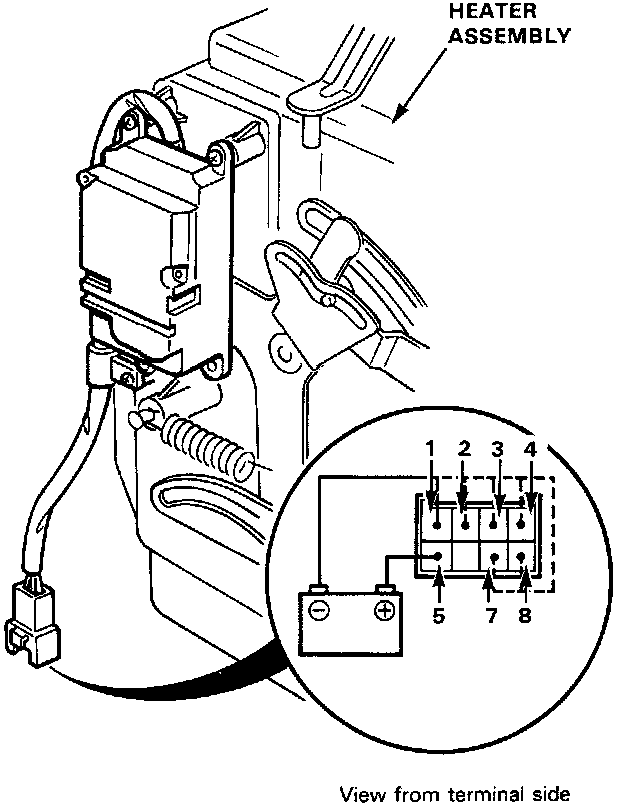
Function Control Motor
>>
Testing
Testing
1.
Connect battery positive to terminal 5 and negative to terminal 1.
2.
With a jumper wire, short between terminal 1 and terminals 2, 3, 4, 7, and 8, in order.
3.
When each connection is made, motor should run.